DISC-FLEX Coupling

DISC-FLEX

특징

[1. 백래시(Backlash)가 없으며 비틀림 강성이 크다.]

  • NC장치가 붙은 공작기계분할장치(index systems). 인쇄기 등의 기계와 같이 정확한 축의 회전이나 위상제어가 필요한 곳에 사용할 경우에 적합하다.

[2. 긴 수명을 보장한다.]

  • 마찰되는 부분이 없으므로 닳지 않으며 소음이 없고 윤활유가 전혀 필요없으며 긴 수명을 보장한다.
  • 축간 오차가 다소 있다 하더라도 축간 변위가 허용되며 닳지 않으므로 선택을 바르게 하여 설치를 잘 하면 사용 기간을 무한히 할 수 있으므로 한번 설치하여 장시간 사용이 필요한 곳에는 아주 좋다.

[3. 동력 전달이 필요한 어떤 설비에도 넓게 사용된다.]

  • 정, 역회전이나 수직형으로의 설치가 가능하다.
  • 고온에서 사용이 가능하다(Max.280℃)
  • 고속회전에 적합하다.

CHARACTERIS

  • 1) DISC FLEX Couplings are free from rotational backash, provide uniform and smooth at constant angular velocity. This coupling has given outstanding service for instance in regulating and control drives. For equipment such as machine tools with numerical controllers, indexing systems, and printing machine, DISC couplings are better than other couplings.
  • 2) DISC FLEX Couplings has no sliding, frictionnal, or mobing parts, Therefore there is no fiction or noise and they are not subject to wear and require no maintenance, no Lubrication, With proper selection and careful installation an unlimited working life may be expected from this compact, ruggedly constructed all steel couplings.

구조(Structure)

[H.F TYPE(4-Bolt)]

[HS, HE, HT, HTW TYPE(6-12 Bolt)]

Types of Disc Packs

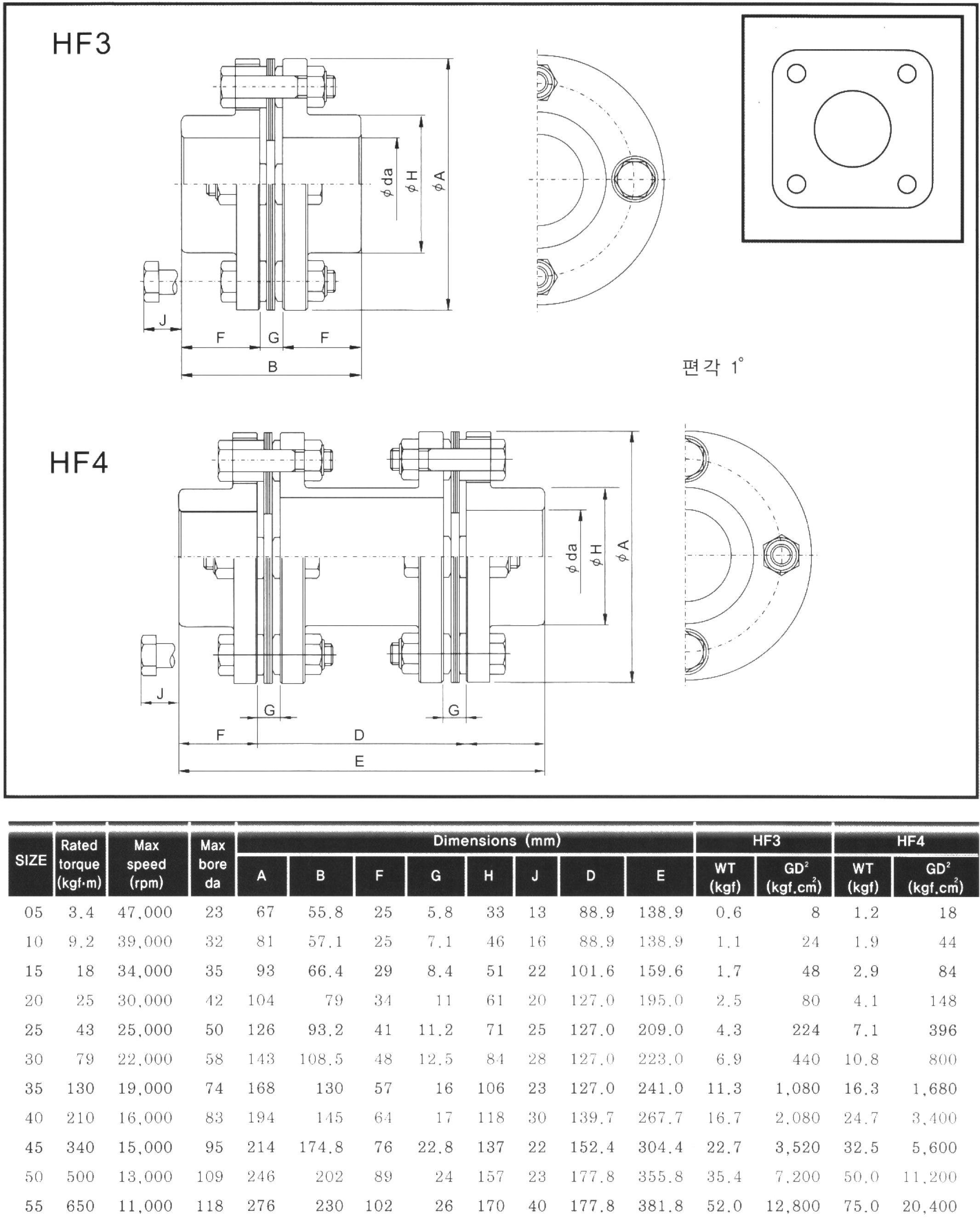
HF3, HF4(Single & Double) TYPE

HS3, HS4(Single & Double) TYPE

HE3, HE4(Single & Double) TYPE

HT3, HT4(Single & Double) TYPE

HTW3, HTW4(Single & Double) TYPE

HR4 TYPE

H52 Spacer TYPE

H71 Spacer TYPE

위로 스크롤